Differences between active and passive testing:
Active testing - DUT connected to mains voltage
During active testing, the residual current, the direct protective conductor current or touch current with mains voltage is determined on the test object.
This is done in two steps, whereby the tester automatically reverses the polarity of the DUT connection. This is real operation, so this test can actually always be used. Exceptions must be made for devices with a very high starting current, such as motors and halogen headlights. Otherwise, the switching relay of the SECUTEST is subjected to very high loads when the mains is switched on and therefore wears out more quickly.
- active, direct measurement of leakage currents
- active, direct measurement - details
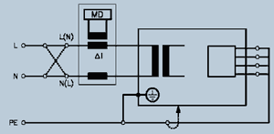
- active, residual current measurement of leakage currents MD = test device
Passive test - test object without mains voltage
In passive testing, the equivalent leakage current is measured without mains voltage.
This only produces correct results if no electronics or inrush relays are used in the DUT. Otherwise the measuring voltage will not reach the test object completely, but will be blocked by relays or electronics in the test object. If such elements are present, measurement must be active. Otherwise, this type of measurement is faster because the polarity does not have to be reversed.
If the passive measurement results in leakage currents that are too high, active measurement is required.
This is usually due to the presence of radio interference suppression capacitors. With passive measurement, these are connected in parallel and therefore this measurement produces twice as high values. With active testing, only one RFI capacitor can be connected to phase L at any one time. No voltage is applied to the capacitor connected to N and therefore no leakage current is generated by it.
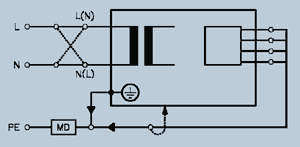
- Passive measurement of leakage currents
- passive measurement - details
