Unterschiede aktive und passive Prüfung:
Aktive Prüfung - Prüfling an Netzspannung
Bei der aktiven Prüfung wird der Differenzstrom, der direkte Schutzleiterstrom bzw. Berührungsstrom mit Netzspannung am Prüfling ermittelt.
Dies geschieht in zwei Schritten, wobei das Prüfgerät automatisch den Anschluss des Prüflings umpolt. Das ist der reale Betrieb, deshalb kann diese Prüfung eigentlich immer verwendet werden. Ausnahmen müssen bei Geräten mit sehr hohem Anlaufstrom, wie z.B. Motoren und Halogenscheinwerfer gemacht werden. Durch das Zuschalten des Netzes wird sonst das Schaltrelais des SECUTEST sehr stark beansprucht und verschleißt dadurch schneller.
- aktiv, Direktmessung der Ableitströme
- aktiv, Direktmessung - Details
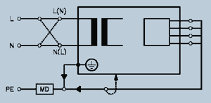
- aktiv, Differenzstrom-Messung der Ableitströme MD = Prüfgerät
Passive Prüfung - Prüfling ohne Netzspannung
Bei der passiven Prüfung wird ohne Netzspannung gemessen – und zwar der Ersatzableitstrom.
Das bringt nur richtige Ergebnisse, wenn keine Elektronik oder Einschaltrelais im Prüfling verwendet werden. Sonst erreicht die Messspannung den Prüfling nicht vollständig. sondern du wird durch Relais oder Elektronik im Prüfling blockiert. Sind solche Elemente vorhanden, muss aktiv gemessen werden. Ansonsten ist diese Art der Messung schneller, weil nicht umgepolt werden muss.
Wenn die passive Messung zu hohe Ableitströme bringt, muss aktiv gemessen werden.
Der Grund sind meistens vorhandene Funkentstörkondensatoren. Bei der passiven Messung werden diese parallel geschaltet und deshalb bringt diese Messung doppelt so hohe Werte. Bei der aktiven Prüfung kann immer nur ein Funkentstörkondensator an der Phase L liegen. An dem Kondensator, der an N liegt, liegt keine Spannung an und somit wird durch ihn auch kein Ableitstrom erzeugt.
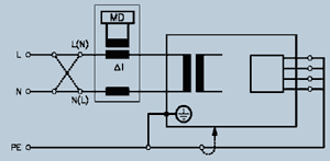
- passive Messung der Ableitströme
- passive Messung - Details
